上海奕步电机有限公司
网站地图
xml
免费服务热线:
021-6992-5088
米兰·(milan)分类
米兰·(milan)电机
WEG低压电机
6
米兰·(milan)防爆电机
1
WEG中高压电机
4
米兰·(milan)特殊应用电机
1
HGF三相异步电动机
4
W60三相异步电机
1
WG20系列减速电机
6
W21三相低压电机
9
W20三相低压电机
5
W22三相低压电机
1
米兰·(milan)变频器
米兰·(milan)微型变频器
3
米兰·(milan)OEM和通用变频器
2
米兰·(milan)HVAC-R变频器
2
米兰·(milan)类型划分
米兰·(milan)鼠笼感应电机
5
米兰·(milan)同步电机
2
米兰·(milan)船用电机
1
米兰·(milan)冷却塔电机
1
专注提供米兰·(milan)电机产品
您的需求,我们的专业
首页
关于WEG
产品中心
解决方案
效果展现
新闻资讯
联系我们
专注提供米兰·(milan)电机产品
您的需求,我们的专业
首页
关于WEG
产品中心
米兰·(milan)电机
米兰·(milan)变频器
米兰·(milan)类型划分
解决方案
效果展现
新闻资讯
实时动态
热门消息
米兰·(milan)资讯
联系我们
热门搜索关键词:
weg电机
米兰·(milan)电机官网
米兰·(milan)电机制造有限公司
weg电机中国官网
搜索
您的位置:
首页
>
新闻资讯
>
米兰·(milan)资讯
>
单相电机用交流接触器实现正反转(用接触器控制单相电机正反转)
2022-11/09
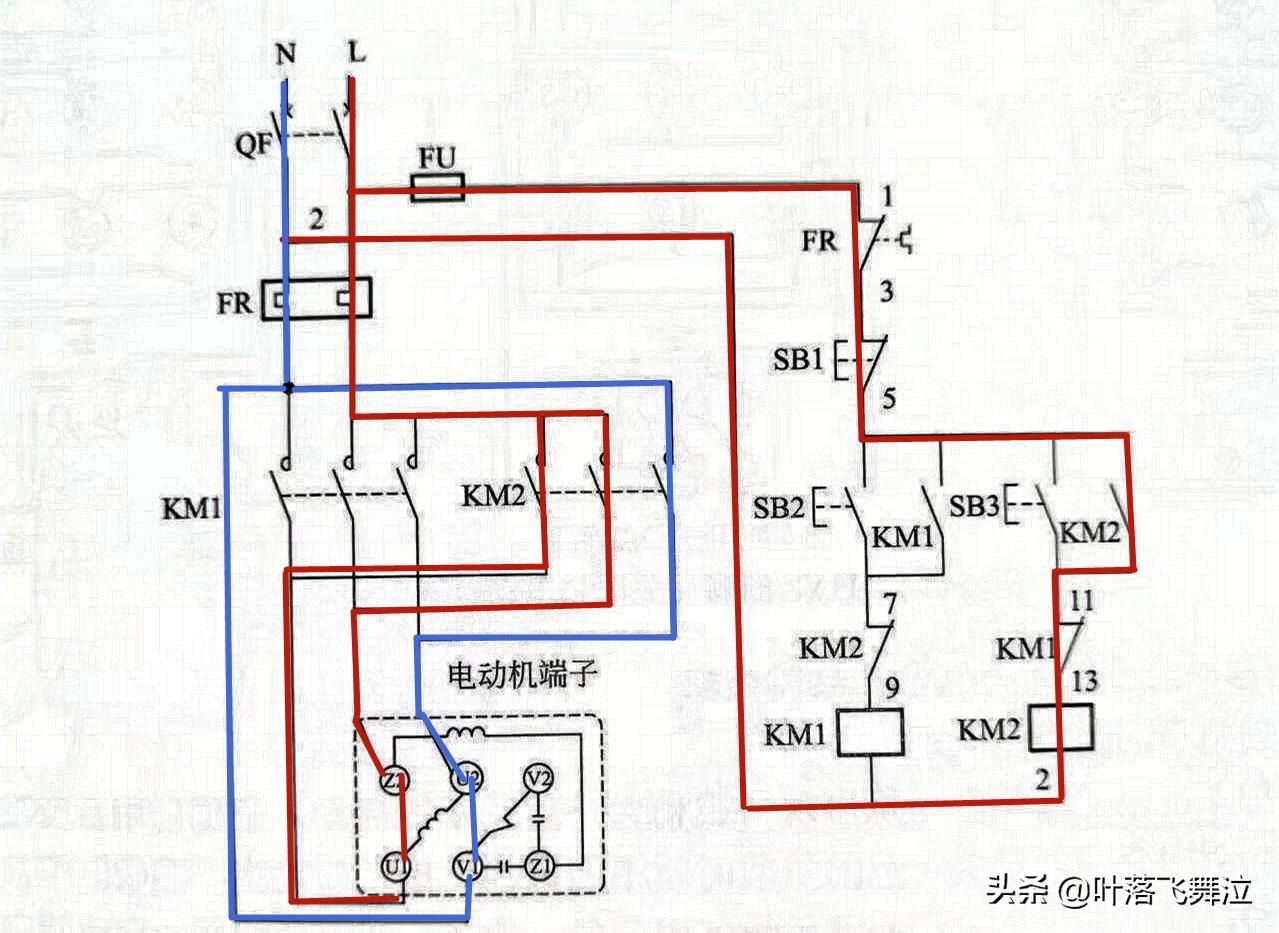
单相电机通过接触器实现正反转
1.按SB2启动KM1,电机反向运行。
2.当按下SB3时,接触器KM2啮合,电机正转。KM2与KM1联锁。
单相电机通过接触器实现正反向连接示意图
如何用万用表测电容的容量(ut33c万用表如何测电容正负极)
单相电机通过接触器实现正反转1.按SB2启动KM1,电机反向运行。2.当按下SB3时,接触器KM2啮...
2022-11-09
如何用万用表测电容的容量(ut33c万用表如何测电容正负极)
单相电机通过接触器实现正反转1.按SB2启动KM1,电机反向运行。2.当按下SB3时,接触器KM2啮...
2022-11-09
相关文章
Relevant articles
开利风机盘管电机型号,详解开利风机盘管电机的规格和型号
开利风机盘管电机是一种用于空调系统的重要部件。它的主要作用是通过转动风轮来将室内...
06-19 / 2024
剃须刀为什么不用无刷电机?了解一下相关科技原理
本文主要讨论为什么剃须刀不采用无刷电机技术,探究其原因和相关科技原理。剃须刀是一...
04-19 / 2023
电机3千瓦指的是什么,介绍电机功率的含义
电机3千瓦指的是什么?介绍电机功率的含义电机是我们生活中必不可少的一种设备,它广...
01-16 / 2024
天津三美电机怎么样,了解天津三美电机的产品质量和
作为国内知名的电机生产厂家,天津三美电机以其卓越的产品质量和优秀的服务水平赢得了...
12-25 / 2024
解读6kv电机绝缘的国家标准(必知必读的绝缘技术)
随着电机技术的不断发展,电机的使用范围也越来越广泛。而电机绝缘作为电机的基本保护...
07-03 / 2023
吉利熊猫门锁电机,提供高质量的门锁电机产品
随着人们对生活品质要求的提高,对于家居门锁的要求也越来越高。门锁电机的发展与时俱...
07-11 / 2024
QQ咨询
215806990
400电话
021-6992-5088
微信联系
在线留言
回到顶部
电话咨询
QQ咨询
产品中心
回到首页